电工基础第二章简单直流电路的分析
答题完成后点“提交” ,查看成绩和答案。
#1. (单选)不属于电阻串联的应用的是( )。
#2. (单选)欲精确测量中电阻的阻值,应选用( )。
#3. (单选)利用电阻的并联可用扩大( )的量程。

#4. (单选)如图所示电路中,当开关S合上和断开时,各白炽灯的亮度变化是( )。
#5. (单选)一只10Ω的电阻和一只5Ω的电阻串联,通过的电流为5A,则串联电路的总电压为( )V。
#6. (单选)已知R1>R2>R3,若将此三只电阻并联接在电压为U的电源上,获得最大功率的电阻将是( )。

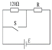
#7. (单选)如图所示电路中,开关S闭合与打开时,电阻R上电流之比为3:1,则R的阻值为( )。
#8. (单选)要测量中电阻的阻值,应优先选用( )。
#9. (单选)在闭合电路中,电源内阻变大,电源两端电压将( )。

